
© istockphoto.com / Mailson Pignata
Prozessanlagen-Engineering
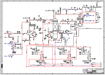
Chemieanlagen vom FEED- und Prozessdesign bis zum Detail-Engineering
Kontakt:
Engineering Base bietet modulares Design für die Prozessindustrie auf mehreren Ebenen. Auf der Ebene von Funktionen wie Messstellen greift der Advanced Typical Manager, der auf einem variantenbasierten Baukasten aufsetzt. Vordefinierte komplexere Anlagenteile lassen sich mit PFD- oder R&I-Fließschema-Ausschnitten festlegen und bringen bei ihrem Einsatz wiederum Vorgaben für geeignete Typicals mit, was den Engineering-Prozess extrem beschleunigt.

Instrumentierer müssen für jede Aufgabenstellung die optimalen Sensoren und Aktoren definieren. In Engineering Base können sie auf vorgefertigten Spezifikationen aufbauen. Die weiteren Schritte werden durch die Typicals in Engineering Base enorm erleichtert. Per Klick entsteht aus dem Typical das komplette Datenmodell mit allen Objekten mit den dazugehörigen Stellenblättern und Schaltplänen. Vom Sensor über die Kabel bis hin zu den entsprechenden Funktionsblöcken kann so ein Modul alles enthalten. Schneller und konsistenter geht’s nicht.
Mehrere intelligente Mechanismen greifen ineinander, um Änderungen jederzeit transparent zu machen. Vom Advanced Data Tracking über das grafische Revisionsmanagement bis hin zur detaillierten Datenhistorie jeder einzelnen Änderung an Objekten – in jeder Detailtiefe und Perspektive ist völlige Transparenz gegeben.

Während Sie auf dem R&I-Fließschema Ergänzungen oder Änderungen vornehmen, läuft im Hintergrund ständig ein Regelwerk mit, das mit Warnungen oder Fehlermeldungen unterstützt und auch automatisch richtige Daten ergänzen kann. Welche Regeln ablaufen können Sie selbst bestimmen; so werden neben den gängigen Standards auch Ihre Hausnormen berücksichtigt.

Rohrklassen festzulegen und sie im Piping zu verwenden, ist für das Engineering von Prozessanlagen eine Kernfunktion. Engineering Base hat die richtigen Features und die einfache Handhabung mit an Bord.
Engineering Base bietet mehr als einen statischen Digitalen Zwilling. Auch die Beziehungen zur Beschreibung des Dynamischen Verhaltens der Anlagensteuerung sind mit an Bord. Was geschehen soll, wenn z. B. 2 von 3 Sensoren Alarme melden, wird über diese Beziehungen im Modell abgebildet. Die Cause & Effect-Matrix als wichtiges Dokument für die Inbetriebnahme wird aus diesen Beziehungen automatisch erzeugt. Verglichen mit der üblichen Handarbeit ist das schneller und sehr viel weniger fehleranfällig.
